全国服务热线:
17394720409
公告:
优质 诚信 创新 共赢
不限栏目
产品展示
设备展示
新闻资讯
行业知识
资质荣誉
网站首页
关于我们
产品展示
称重传感…
流量计
温度变送…
差压变送…
压力变送…
卷筒总成…
倾角传感…
压力传感…
多维力传…
设备展示
新闻资讯
行业知识
资质荣誉
招贤纳士
联系我们
产品展示
称重传感器
流量计
温度变送器
差压变送器
压力变送器
卷筒总成
倾角传感器
压力传感器
多维力传感器
新闻资讯
为盲人设计的“导盲鞋” 集成…
以蜂巢式物联网传感器解决碳氢…
“人体接近检测”传感器可减少…
TI 推动驾驶辅助技术创新,推…
2022年传感器和致动器成长15%…
联系我们
CONTACT US
17394720409
全国服务热线:
地址:
南通市崇川区崇川路58号产业技术研究院
邮箱:
bossaet@bossaet.cn
手机:
18094351313
手机:
17394720409
电话:
0513-55081556
产品展示
当前位置:
首页
>
产品展示
>
称重传感器
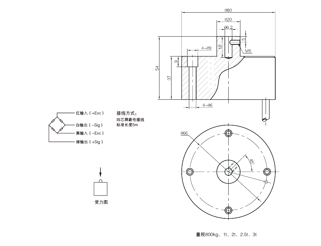
膜盒式称重传感器
添加时间:2019-01-24
优化式结构设计,精度高,动态响应快。适用于硬度计,测力仪,电子称重设备等。
产品详情
[上一条]:
轮辐荷重传感器
[下一条]:
抱歉暂无数据
【返回列表】